Spray Dryer Machine Industrial Powder Making Equipment
- Wonsen
- China
- 60 days
- Always Available
This industrial spray dryer adopts rotary cutting air inlet technology and adjustable volute structure, which ensures even material distribution and effectively avoids material reverse jacking. Multiple heat source options are available, including electric heating, steam heating and combined heating modes, realizing high working efficiency with low energy consumption. The machine features compact and elegant overall structure, simple operation, detachable and cleanable hot air chamber, as well as adjustable and controllable inlet air temperature.
Equipped with air jacket cooling system on the drying chamber wall and top, it prevents materials from thermal melting and wall adhesion. The built-in air rotary blowing device further reduces wall sticking. The powder collection system applies dehumidified air conveying and cooling technology to cool finished products and avoid moisture absorption and agglomeration. It fully complies with GMP standards, with drying air cleanliness above 100,000 grade. Easy to clean and maintain, it delivers stable product quality, ideal for pharmaceutical, food, chemical and energy industry production.
Spray Dryer Machine Industrial Powder Making Equipment


Overview
Overview
Spray dryer is a widely used process in powder forming and drying industries. It is suitable for producing powdery and granular products from liquid raw materials such as solutions, emulsions, suspensions, and pastes. Therefore, spray dryer is an ideal process when the particle size distribution, residual moisture content, bulk density and particle shape of the finished product must meet precise criteria. Spray dryer is suitable for food, pharmaceutical, energy and chemical fields.
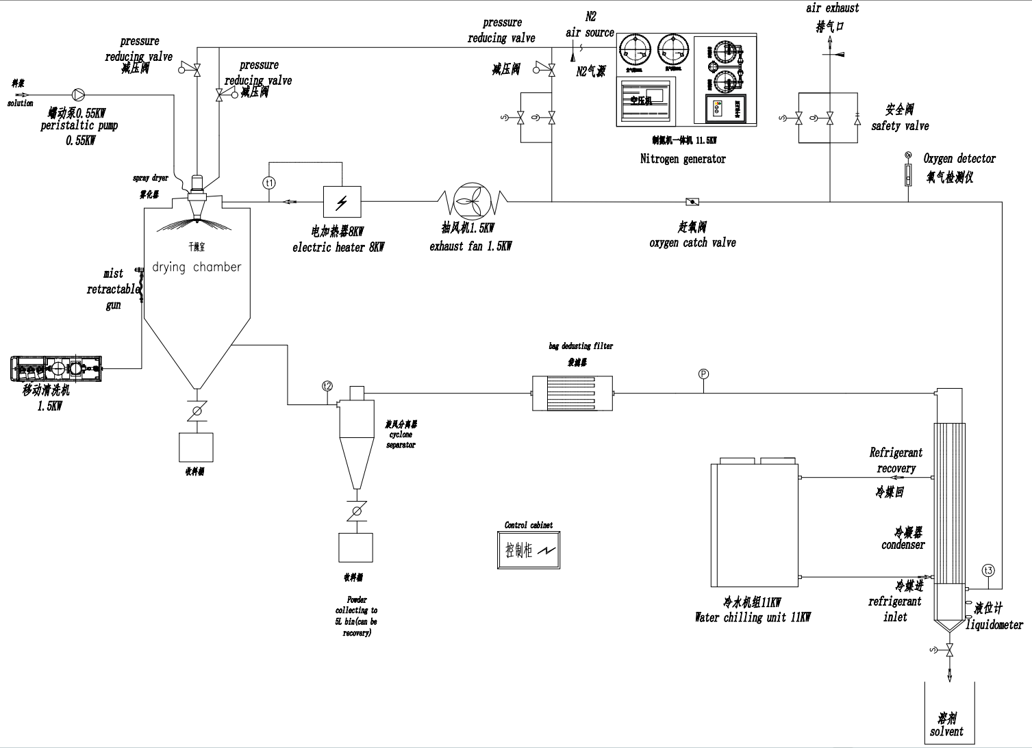
The spray dryer is mainly composed of a hot air inlet system, a drying tower body, a liquid inlet spray system, a powder collection and dust removal system, an online detection system and a control system.
Working Principle
After the fresh air is heated into clean hot air by the air inlet filter and heater, it enters the air distributor at the top of the drying tower body, and the hot air enters the drying tower body uniformly in a spiral shape. The feed liquid is sent to the centrifugal sprayer or pressure nozzle at the top of the drying tower by the supply pump, and is rotated and sprayed into extremely fine mist droplets.In contact with the hot air downstream, the moisture evaporates quickly, and the finished product is dried in a very short time. The finished product is discharged from the bottom of the drying tower and the cyclone separator, and the waste gas is purified by the dust removal system and then emptied. When the dried product is easily oxidized or toxic, the inactive gas medium formed by circulating nitrogen can be used to replace the common air medium for spray drying (or cooling granulation). In addition to recovering the product, organic solvent.






Features
Adopt rotary cutting air inlet technology and adjustable volute to ensure uniform distribution of materials and no reverse top.
The heat source can be electric heating, steam heating or a combination of various heating methods to ensure high efficiency and low consumption.
The whole machine is compact and beautiful in structure, easy to operate, the hot air chamber can be disassembled and cleaned, and the inlet air temperature can be adjusted and controlled.
Air jacket cooling system is adopted for the drying chamber and top parts to prevent the material from being melted and hung on the chamber
The inner wall of the drying chamber adopts an air rotary blowing device to eliminate or reduce the sticking phenomenon.
The powder collecting system adopts dehumidification air blowing cooling technology to cool the product and prevent moisture absorption and agglomeration.
Technical Parameter








